Description
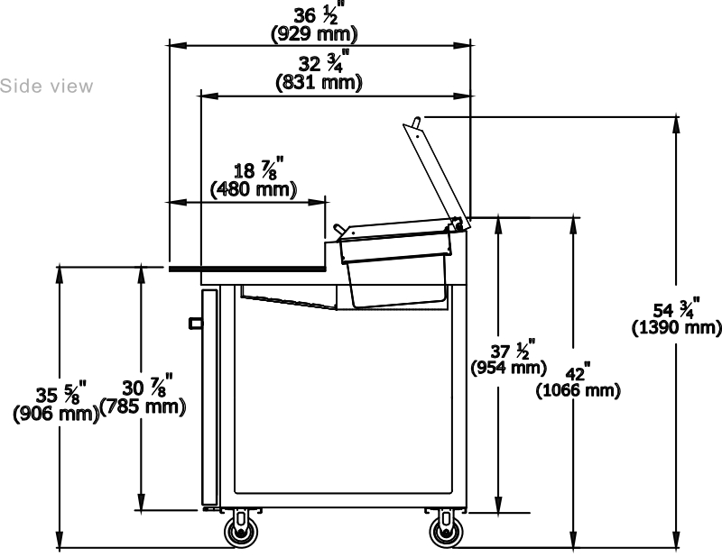
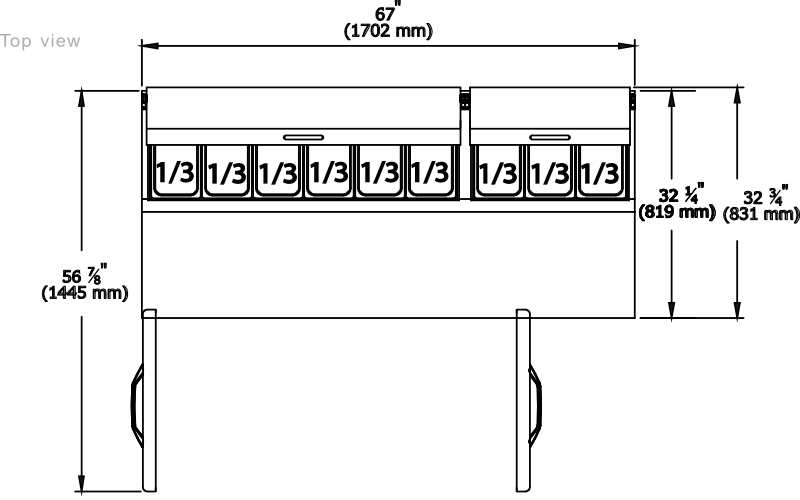
BAPP67-HC
2 Sections, 67″w x 36 1⁄2″d x 42″h
• Durable stainless steel exterior and interior
• Insulated pan cover with a stainless steel divider which prevents food spillage into the storage area beneath
• Side rail cutting board bracket with 19” deep, 1⁄2” thick cutting board included
• Holds 4″ or 6″ deep pans (sold separately)
• 4″ diameter front locking swivel casters











